AL111591, AL152449, AL224589, AL77301,
Intrerupator, Rezistenta Ventilator Cabina John Deere AL111591, AL152449, AL224589, AL77301
AL111591, AL152449, AL224589, AL77301,
Intrerupator, Rezistenta Ventilator Cabina John Deere AL111591, AL152449, AL224589, AL77301

Rezistenta Ventilator Cabina

Aftermarket
In Stoc
261 Lei
Include TVA

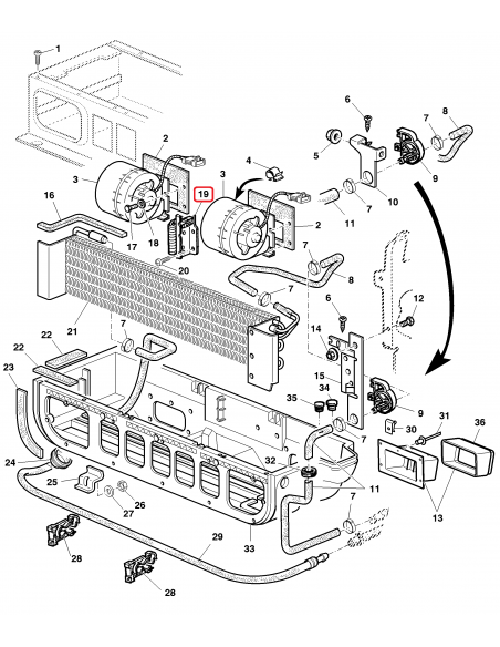
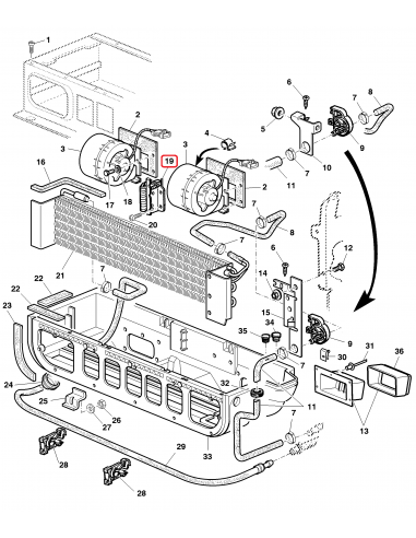
AL152449

 

John Deere

  • ATV/QUAD 3000 3200, 3215, 3220, 3400, 3415, 3420 (Worldwide)
  • 5000 5400N, 5500N
  • 5005 5325N, 5425N
  • 5010 5310N (North America), 5510N (North America), 5020, 5320N, 5420N, 5520N, 5025, 5525N
  • 6000 6100, 6100SE, 6200, 6200 (North America), 6200SE, 6300, 6300 (North America), 6300 (South America), 6300SE, 6400, 6400 (North America), 6400SE, 6500 (North America), 6500 (South America), 6506, 6600, 6600 (South America), 6800, 6900 (Europe)
  • 6005 6215 (North America), 6405 (North America), 6405 (South America), 6415 (North America), 6415 (South America), 6415 Classic (South America), 6605 (North America), 6605 (South America), 6615 (North America), 6615 Classic (South America), 6715 (North America)
  • 6010 6010SE, 6110, 6110 (North America), 6110SE, 6210, 6210 (North America), 6210SE, 6310, 6310 (North America), 6310S (North America), 6310SE, 6410, 6410 (North America), 6410S (North America), 6410SE, 6510, 6510S (North America), 6510SE, 6610, 6610SE, 6810, 6910, 6910S (Europe)
  • 6020 6020S, 6020SE, 6120, 6120 (North America), 6120SE, 6220, 6220 (North America), 6220SE, 6320, 6320 (North America), 6320L (North America), 6320SE, 6420, 6420 (North America), 6420L (North America), 6420S, 6420SE, 6520, 6520L (North America), 6520SE, 6620, 6620SE, 6820, 6920, 6920S, 6920SE (Europe)
  • 6030 6130, 6230, 6230 (North America), 6330, 6330 (North America), 6430, 6430 (North America), 6530, 6630, 6830, 6930 (Europe)
  • 7005 7505, 7515 (South America), 7525 (Mexico)
  • 7020 7220, 7320, 7420, 7520 (Worldwide)
  • 7030 7130 (North America), 7230 (North America), 7330 (North America)
26/1988-108
No reviews
Comentarii (0)
Nu sunt opinii ale clientilor in acest moment.
Product added to wishlist
Produs adaugat la comparator

Pentru scopuri precum afișarea de conținut personalizat, folosim module cookie sau tehnologii similare. Apăsând Accept sau navigând pe acest website, ești de acord să permiți colectarea de informații prin cookie-uri sau tehnologii similare. Află in sectiunea Politica de Cookies mai multe despre cookie-uri, inclusiv despre posibilitatea retragerii acordului.