John Deere, Z42282
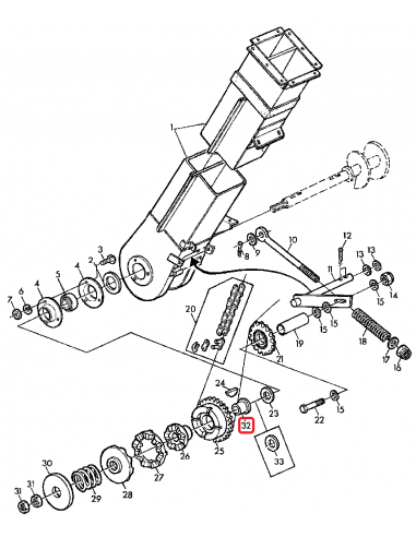
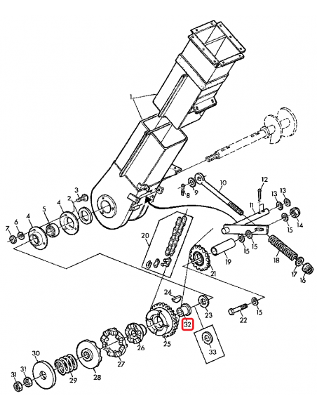
Bushing Clean Grain Elevator Drive 45x55 mm John Deere Z42282
John Deere, Z42282
Bushing Clean Grain Elevator Drive 45x55 mm John Deere Z42282

Bushing 45x55 mm

Premium
In Stock
188 Lei
Tax included

Z42282

 

John Deere Combine 1065, 1068H, 1072, 1075, 1075HY4, 1085, 1085HY4, 1166, 1166HY4, 1169H, 1169HY4, 1174, 1174HY4, 1177, 1177HY4, 1188, 1188HY4, 2054, 2056, 2058, 2064, 2066, 2254, 2256, 2258, 2264, 2266, 2266EXTRA, 4425, 4435, 4435HY

Q42282-Z
No reviews

You might also like

Comments (0)
No customer reviews for the moment.

Viewed products

Product added to wishlist
Product added to compare.

iqitcookielaw - module, put here your own cookie law text